| Estado de Disponibilidad: | |||||||||
|---|---|---|---|---|---|---|---|---|---|
| Estos fuelles de precisión múltiple se utilizan en válvulas de tuberías, instrumentos de prueba y sistemas de control donde la precisión, la flexibilidad y el rendimiento a prueba de fugas realmente importan. Funcionan como sellos de presión pequeños y flexibles o amortiguadores de movimiento, lo que ayuda a transmitir, equilibrar o aislar cambios de presión en sistemas delicados. Nuestra fábrica ha estado produciendo conjuntos de fuelles metálicos durante años, centrándose en un rendimiento confiable y un control práctico de costos en lugar de solo especificaciones sofisticadas. Ya sea que necesite fuelles para válvulas de alta presión, medidores de vacío o instrumentos de prueba de precisión, podemos suministrarle el tipo correcto y asegurarnos de que se ajuste a la función. | |||||||||
Mantenemos una práctica selección de fuelles de precisión en stock para muestreos rápidos y tiradas de producción pequeñas. A continuación se detallan las especificaciones comunes que encontrará disponibles en el mercado o listas en un corto plazo de entrega:
| Artículo | Rango típico / Notas |
|---|---|
| Materiales (existencias) | Bronce al estaño (CuSn), Bronce al berilio (CuBe), Latón (CuZn), Acero inoxidable (SS304, SS316L) |
| Diámetro | ~6–100 mm (tamaños estándar en existencia; más pequeños o más grandes a pedido) |
| Longitud / Carrera | Adaptado a los requisitos de carrera de válvula o instrumento |
| Capas / Capas | Común de 1 a 5 capas (las capas múltiples mejoran la vida útil) |
| Tipos de fabricación | Conformado (hidroformado/laminado), Fuelles soldados, Fuelles soldados por bordes |
| Accesorios finales | Extremos abiertos, niples soldados, extremos roscados, bridas (tamaños comunes en existencia) |
| Presión/Temperatura (típica) | Presión baja a media para bronce/latón; clasificaciones más altas con SS o aleaciones especiales; El rango de temperatura depende del material. |
| Pruebas | Comprobación básica de fugas e inspección dimensional realizada en artículos en stock. |
Notas y puntos sinceros:
nuestros fuelles de estaño, bronce y latón en stock se utilizan a menudo en trabajos OEM de instrumentos y válvulas donde se necesita conductividad o resistencia moderada a la corrosión; el bronce de berilio se reserva para aplicaciones que requieren mayor resistencia y elasticidad, pero está más controlado debido al manejo de la aleación; La culata de acero inoxidable es para casos de mayor corrosión y temperatura. El stock mantiene el tiempo de entrega bajo, pero si sus especificaciones son muy inusuales, generalmente pasaremos a una ejecución corta de personalización.
Mantenemos una práctica selección de fuelles de precisión en stock para muestreos rápidos y tiradas de producción pequeñas. A continuación se detallan las especificaciones comunes que encontrará disponibles en el mercado o listas en un corto plazo de entrega:
| Artículo | Rango típico / Notas |
|---|---|
| Materiales (existencias) | Bronce al estaño (CuSn), Bronce al berilio (CuBe), Latón (CuZn), Acero inoxidable (SS304, SS316L) |
| Diámetro | ~6–100 mm (tamaños estándar en existencia; más pequeños o más grandes a pedido) |
| Longitud / Carrera | Adaptado a los requisitos de carrera de válvula o instrumento |
| Capas / Capas | Común de 1 a 5 capas (las capas múltiples mejoran la vida útil) |
| Tipos de fabricación | Conformado (hidroformado/laminado), Fuelles soldados, Fuelles soldados por bordes |
| Accesorios finales | Extremos abiertos, niples soldados, extremos roscados, bridas (tamaños comunes en existencia) |
| Presión/Temperatura (típica) | Presión baja a media para bronce/latón; clasificaciones más altas con SS o aleaciones especiales; El rango de temperatura depende del material. |
| Pruebas | Comprobación básica de fugas e inspección dimensional realizada en artículos en stock. |
Notas y puntos sinceros:
nuestros fuelles de estaño, bronce y latón en stock se utilizan a menudo en trabajos OEM de instrumentos y válvulas donde se necesita conductividad o resistencia moderada a la corrosión; el bronce de berilio se reserva para aplicaciones que requieren mayor resistencia y elasticidad, pero está más controlado debido al manejo de la aleación; La culata de acero inoxidable es para casos de mayor corrosión y temperatura. El stock mantiene el tiempo de entrega bajo, pero si sus especificaciones son muy inusuales, generalmente pasaremos a una ejecución corta de personalización.
Díganos qué necesita realmente: presión nominal, número de ciclos, medios y detalles de instalación, y le propondremos la construcción adecuada. Las opciones de personalización típicas incluyen:
1. Selección de materiales
Bronce al estaño (CuSn), buena resistencia al desgaste y rendimiento general contra la corrosión; Comúnmente utilizado en instrumentos y fuelles industriales en general.
Bronce de berilio (CuBe), alta resistencia, buena vida a la fatiga, a menudo elegido cuando se requieren propiedades no magnéticas o de alta elasticidad;
nota: el manejo y control de aleaciones de berilio requiere una estricta seguridad en el lugar de trabajo y lo discutiremos con usted.
Acero inoxidable (SS304, SS316L.ect), mejor para temperaturas más altas, ambientes corrosivos y rangos de presión más amplios; Disponibles en construcciones soldadas o multicapa.
Las aleaciones de alta elasticidad y otros materiales especiales, como 1Cr18Ni9TiG, funcionan en el rango de temperatura de 194 ℃ ~ +400 ℃. Poseen una alta resistencia a la fatiga por flexión y a la corrosión, y exhiben un buen rendimiento de soldadura. Se pueden utilizar como elementos de medición, obturación, conexión y compensación en medios corrosivos.
Latón (CuZn), rentable para aplicaciones de instrumentos de presión baja a media; mecanizado y conformado más fácil.

2. Capas/Paredes y Geometría
Una o varias capas (típicamente de 2 a 5 capas). Más capas → mejor vida a la fatiga y control de la flexibilidad, pero mayor costo y volumen interno ligeramente reducido.
Número y profundidad de las corrugaciones: afecta la rigidez y el movimiento permitido. Adaptaremos el diseño del corrugado a sus objetivos de carrera y ciclo de vida.

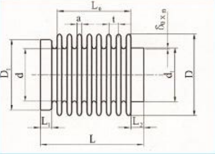
| D | Diámetro exterior |
| d | Diámetro interno |
| δ₀ | Espesor de pared de una sola capa de fuelle |
| t | Paso |
| a | Grosor de la onda |
| n | Número de capas de fuelle |
| L | Longitud total |
| L₀ | Longitud efectiva |
| L₁ | Longitud del extremo del conector interior |
| L₂ | Longitud del extremo del conector exterior |
| D₁ | Diámetro de ajuste interior |
| d₁ | Diámetro de ajuste exterior |
3. Enfoque de fabricación
Formado: adecuado para ciertos tamaños y diseños de paredes delgadas.
Fuelles soldados: precisos, herméticos, comunes para aplicaciones de instrumentos y vacío.
Borde soldado: se utiliza cuando se requiere integridad axial total y capacidad de presión.
4. Conexiones finales y accesorios
Boquillas soldadas, extremos roscados, bridas o adaptadores específicos del cliente. Podemos soldar bridas o adaptar adaptadores a su plano.
5. Pruebas y certificación
Prueba de fuga de helio, prueba de ciclo de presión/fatiga, certificados de materiales (p. ej., trazas ASTM/ISO). Si necesita estándares específicos (AS9100, PED, ISO 9001) o informes de prueba para la calificación, lo planificaremos en la oferta.
6.Embalaje, etiquetado y trazabilidad
Numeración de lotes, trazabilidad de materiales, referencias EDI/PO, embalaje OEM: todo disponible para pedidos por volumen.
Díganos qué necesita realmente: presión nominal, número de ciclos, medios y detalles de instalación, y le propondremos la construcción adecuada. Las opciones de personalización típicas incluyen:
1. Selección de materiales
Bronce al estaño (CuSn), buena resistencia al desgaste y rendimiento general contra la corrosión; Comúnmente utilizado en instrumentos y fuelles industriales en general.
Bronce de berilio (CuBe), alta resistencia, buena vida a la fatiga, a menudo elegido cuando se requieren propiedades no magnéticas o de alta elasticidad;
nota: el manejo y control de aleaciones de berilio requiere una estricta seguridad en el lugar de trabajo y lo discutiremos con usted.
Acero inoxidable (SS304, SS316L.ect), mejor para temperaturas más altas, ambientes corrosivos y rangos de presión más amplios; Disponibles en construcciones soldadas o multicapa.
Las aleaciones de alta elasticidad y otros materiales especiales, como 1Cr18Ni9TiG, funcionan en el rango de temperatura de 194 ℃ ~ +400 ℃. Poseen una alta resistencia a la fatiga por flexión y a la corrosión, y exhiben un buen rendimiento de soldadura. Se pueden utilizar como elementos de medición, obturación, conexión y compensación en medios corrosivos.
Latón (CuZn), rentable para aplicaciones de instrumentos de presión baja a media; mecanizado y conformado más fácil.

2. Capas/Paredes y Geometría
Una o varias capas (típicamente de 2 a 5 capas). Más capas → mejor vida a la fatiga y control de la flexibilidad, pero mayor costo y volumen interno ligeramente reducido.
Número y profundidad de las corrugaciones: afecta la rigidez y el movimiento permitido. Adaptaremos el diseño del corrugado a sus objetivos de carrera y ciclo de vida.

| D | Diámetro exterior |
| d | Diámetro interno |
| δ₀ | Espesor de pared de una sola capa de fuelle |
| t | Paso |
| a | Grosor de la onda |
| n | Número de capas de fuelle |
| L | Longitud total |
| L₀ | Longitud efectiva |
| L₁ | Longitud del extremo del conector interior |
| L₂ | Longitud del extremo del conector exterior |
| D₁ | Diámetro de ajuste interior |
| d₁ | Diámetro de ajuste exterior |
3. Enfoque de fabricación
Formado: adecuado para ciertos tamaños y diseños de paredes delgadas.
Fuelles soldados: precisos, herméticos, comunes para aplicaciones de instrumentos y vacío.
Borde soldado: se utiliza cuando se requiere integridad axial total y capacidad de presión.
4. Conexiones finales y accesorios
Boquillas soldadas, extremos roscados, bridas o adaptadores específicos del cliente. Podemos soldar bridas o adaptar adaptadores a su plano.
5. Pruebas y certificación
Prueba de fuga de helio, prueba de ciclo de presión/fatiga, certificados de materiales (p. ej., trazas ASTM/ISO). Si necesita estándares específicos (AS9100, PED, ISO 9001) o informes de prueba para la calificación, lo planificaremos en la oferta.
6.Embalaje, etiquetado y trazabilidad
Numeración de lotes, trazabilidad de materiales, referencias EDI/PO, embalaje OEM: todo disponible para pedidos por volumen.
Estos fuelles multiplicadores de precisión sirven para cualquier aplicación en la que se necesite aislamiento de presión o movimiento sellado y repetible. Los sectores y usos típicos incluyen:
Control de válvulas y flujo, compensación de actuadores, equilibrio de presión en válvulas de control para plantas de tratamiento de energía, químicos y agua.
Instrumentos de prueba y medición, manómetros, equipos de calibración, instrumentos de medición donde el rendimiento de estanqueidad y la repetibilidad son importantes.
Sistemas criogénicos y de vacío, fuelles soldados para movimiento hermético en cámaras de vacío e instrumentación.
Equipos de energía y productos químicos, que compensan la expansión térmica y protegen transmisores y sensores en medios corrosivos.
Maquinaria ferroviaria y pesada, componentes utilizados en sistemas de material rodante y válvulas de servicio pesado; tenga en cuenta nuestro historial de colaboración existente con CRRC y otros socios de la industria.
Dispositivos de precisión OEM, conjuntos de instrumentos médicos, dispositivos de automatización industrial donde se integran fuelles de pequeño tamaño y alta precisión.
Algunas aplicaciones necesitan certificaciones o limpieza muy específicas (por ejemplo, aspiradora o médica). Si ese es su caso, márquelo con anticipación para que podamos confirmar la viabilidad y las pruebas requeridas.

Estos fuelles multiplicadores de precisión sirven para cualquier aplicación en la que se necesite aislamiento de presión o movimiento sellado y repetible. Los sectores y usos típicos incluyen:
Control de válvulas y flujo, compensación de actuadores, equilibrio de presión en válvulas de control para plantas de tratamiento de energía, químicos y agua.
Instrumentos de prueba y medición, manómetros, equipos de calibración, instrumentos de medición donde el rendimiento de estanqueidad y la repetibilidad son importantes.
Sistemas criogénicos y de vacío, fuelles soldados para movimiento hermético en cámaras de vacío e instrumentación.
Equipos de energía y productos químicos, que compensan la expansión térmica y protegen transmisores y sensores en medios corrosivos.
Maquinaria ferroviaria y pesada, componentes utilizados en sistemas de material rodante y válvulas de servicio pesado; tenga en cuenta nuestro historial de colaboración existente con CRRC y otros socios de la industria.
Dispositivos de precisión OEM, conjuntos de instrumentos médicos, dispositivos de automatización industrial donde se integran fuelles de pequeño tamaño y alta precisión.
Algunas aplicaciones necesitan certificaciones o limpieza muy específicas (por ejemplo, aspiradora o médica). Si ese es su caso, márquelo con anticipación para que podamos confirmar la viabilidad y las pruebas requeridas.
