Tabla de contenido
¿Cuáles son las abrazaderas de escape del perno U
Tipos y materiales comunes
Cómo medir el tamaño de la abrazadera
Cómo instalar y usar abrazaderas de escape de perno U
¿Qué tan apretadas deben estar las abrazaderas de perno U en las tuberías de escape?
¿Pueden las abrazaderas de perno U pueden detener las fugas de escape?
¿Son reutilizables las abrazaderas de perno?
Subvelajas en U-Bolt vs. Otros tipos de abrazaderas
Aplicaciones en configuraciones automotrices e industriales
Pedidos a granel: lo que los compradores deben considerar
Pensamientos finales
¿Cuáles son las abrazaderas de escape del perno U
Cuando trabaja con los sistemas de escape, uno de los componentes más simples pero más importantes que encontrará es la abrazadera de escape del perno El diseño es sencillo: un perno en forma de U, un sillín y dos nueces. Sin embargo, este pequeño papel juega un papel clave para mantener las tuberías conectadas, selladas y seguras.U.

En los vehículos, las tuberías de escape están constantemente expuestas al calor, la vibración y la expansión. Sin una conexión confiable, las tuberías se aflojan, se desarrollan fugas y el rendimiento sufre. Es por eso que la abrazadera de perno U todavía se usa ampliamente en automóviles de pasajeros, camiones, autobuses, motocicletas, maquinaria agrícola e incluso generadores estacionarios.
Aunque otros diseños de abrazadera han aparecido a lo largo de los años, las abrazaderas de tornillo en U siguen siendo populares porque son rentables, fáciles de usar y se ha demostrado que duran.
Tipos y materiales comunes
No todas las abrazaderas de escape del perno U están construidas de la misma manera. Dependiendo de dónde y cómo los use, deberá elegir el material y la fuerza adecuados.
Cuestres de acero chapados en zinc : estos son el tipo más común, asequible y suficiente para muchas reparaciones cotidianas. El revestimiento ofrece resistencia básica a la corrosión.
Sub las abrazaderas de perno U de acero inoxidable : más duraderos, diseñados para escapes de alto rendimiento o entornos duros. Se resisten al óxido, lo cual es importante si estás en regiones con carreteras saladas o climas húmedos.
Subvisas reforzadas de servicio pesado : hechas de acero más grueso, diseñados para camiones, autobuses y sistemas de escape industrial donde la vibración es más intensa.
Para los distribuidores y la mecánica, comprender estas diferencias lo ayuda a recomendar la pinza correcta a sus clientes. Para los compradores a granel, elegir el material correcto también reduce las reclamaciones de garantía y aumenta la satisfacción del cliente.
Acero chapado en zinc
Acero inoxidable

Acero más grueso
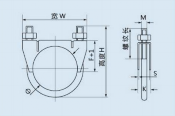
Cómo medir el tamaño de la abrazadera
Una de las preguntas de búsqueda más comunes es: ¿Cómo medir el tamaño de la abrazadera de U? El proceso es simple, pero también es una de las causas más frecuentes de los errores de pedido.
Siempre debe medir el diámetro exterior (OD) de su tubo de escape , no el interior. Si su pipa mide 2.5 pulgadas OD, necesita una abrazadera de perno U de 2.5 pulgadas. Una pregunta frecuente de PAA es: ¿Qué tamaño de abrazadera de perno U necesito para un tubo de escape de 2.5 pulgadas? —El la respuesta es sencilla: una abrazadera de 2.5 pulgadas.
Otro detalle que vale la pena verificar es el tamaño de la rosca de los pernos. Mientras que el diámetro de la tubería decide el tamaño de la abrazadera, el diámetro de la rosca y el tono determinan si sus herramientas funcionarán de manera eficiente durante la instalación. Para los talleres que cambian entre métrico e imperial, mantener una tabla de conversión evita la confusión.

Tamaño de parámetro técnico de la abrazadera de perno U
| de tipo | Ø | Altura H | Ancho W | Longitud de rosca L | F | M | K | S |
A
| 36 | 63 | 63 | 25 | 28.5 | M8 | 15 | 2 |
| 38 | 64 | 64 | 25 | 29 | M8 | 15 | 2 |
| 42 | 65 | 70 | 25 | 31 | M8 | 15 | 2 |
| 45 | 73 | 73 | 30 | 33 | M8 | 15 | 2 |
| 48 | 77 | 76 | 30 | 34 | M8 | 15 | 2 |
| 50 | 79 | 78 | 30 | 36 | M8 | 15 | 2 |
| 54 | 83 | 82 | 30 | 37 | M8 | 15 | 2 |
| 58 | 87 | 86 | 30 | 40 | M8 | 15 | 2 |
| 63.5 | 75 | 92 | 30 | 43 | M8 | 15 | 2 |
| 65 | 94 | 93 | 30 | 44 | M8 | 15 | 2 |
| 70 | 95 | 100 | 40 | 43 | M8 | 15 | 2 |
| 73 | 110 | 102 | 40 | 43 | M8 | 15 | 2 |
B
| 54 | 89 | 87 | 40 | 32 | M10 | 17 | 3 |
| 94 | 128 | 128 | 45 | 60 | M10 | 21 | 3 |
| 106 | 150 | 138 | 45 | 65 | M10 | 21 | 3 |
Se puede suministrar más tamaño y material de acuerdo con los requisitos de los clientes. Datos anteriores solo para referencia.
Cómo instalar y usar abrazaderas de escape de perno U
Muchos compradores también preguntan: ¿Cómo instalar abrazaderas de escape de perno U? ¿Y cómo usar las abrazaderas de puro U correctamente?
El proceso de instalación no es complicado, pero algunos detalles marcan la diferencia:
Deslice la abrazadera sobre la junta de la tubería antes de apretar.
Coloque la silla de montar uniformemente en la articulación.
Apriete ambas nueces gradualmente , alternando lados para mantener el nivel de la abrazadera.
Verifique si hay fugas una vez que el motor esté funcionando.
¿Qué tan apretadas deben estar las abrazaderas de perno U en las tuberías de escape?
Debe apretar hasta que la junta esté segura pero no aplastada. El exceso de agitación puede deformar la tubería, restringir el flujo o incluso causar grietas. Una buena regla es detenerse una vez que la abrazadera se siente ajustada y la tubería ya no cambia.
¿Pueden las abrazaderas de perno U pueden detener las fugas de escape?
Sí, pueden sellar fugas menores si se instalan correctamente. Sin embargo, si la tubería está severamente corroída o desalineada, la abrazadera sola no resolverá el problema; es posible que necesite reemplazar la tubería o usar una abrazadera de banda para un sello más limpio.
¿Son reutilizables las abrazaderas de perno?
Esta es otra pregunta frecuente del comprador. En teoría, puede reutilizarlos si la abrazadera no está deformada o oxidada. En la práctica, es mejor usar nuevas abrazaderas al reinstalar tuberías de escape, especialmente en un taller profesional. Son económicos y las nuevas abrazaderas aseguran una retención más fuerte.
Subvelajas en U-Bolt vs. Otros tipos de abrazaderas
Los compradores a menudo comparan las abrazaderas de perno U con otras opciones y preguntan: ¿Cuál es la diferencia entre una abrazadera de perno U y una abrazadera de banda?
Subvisoras de perno U : bajo costo, agarre fuerte, ampliamente disponible. Pueden empujar ligeramente la tubería, lo cual está bien para las reparaciones estándar.
CLAMPS DE BAND : proporcione un sello más suave sin distorsionar la tubería. A menudo se usa cuando una junta limpia es importante, como en las instalaciones de escape del mercado de accesorios.
Subvisoras de banda V : opción de alta gama, a menudo que se encuentra en los vehículos de rendimiento. Permiten un desmontaje rápido pero tienen un costo más alto.
Si está ejecutando un taller o distribuyendo piezas para vehículos cotidianos, las abrazaderas de perno U suelen ser la opción más práctica. Las abrazaderas de banda y la banda V son más adecuadas para aplicaciones especializadas.
Abrazadera de banda de escape
Clamp de banda V
Aplicaciones en configuraciones automotrices e industriales
Mientras que la mayoría de las personas asocian las abrazaderas en U-Bolt con los sistemas de escape de automóviles, también son comunes en otras industrias.
Corredores y camiones de pasajeros : Se usa en conexiones de escape originales y reemplazos de posventa.
Vehículos de servicio pesado : camiones, autobuses y maquinaria agrícola donde la vibración y la carga son más altas.
Generadores y motores industriales : sistemas de escape estacionarios que requieren juntas seguras.
Equipo de construcción : excavadoras, excavadoras y otras máquinas que funcionan en entornos polvorientos de alta vibración.
Debido a esta versatilidad, las abrazaderas de tornillo U siempre están en demanda, no solo para reparaciones de automóviles de bricolaje, sino también para distribuidores que atienden a múltiples industrias.
Pedidos a granel: lo que los compradores deben considerar
Si usted es un distribuidor, proveedor de garaje o mayorista, comprar abrazaderas de escape de perno U requiere más que elegir el tamaño correcto. También querrás considerar:
Consistencia del material
Disponibilidad del rango de tamaño
Calidad de perno y rosca : los pernos más fuertes significan menos fallas durante el apriete, generalmente proporcionamos dos estilos básicos de tuerca estándar

Embalaje : en caja, lleno de masa o embolsado individualmente dependiendo de su modelo de ventas.
Personalización : sillines más gruesos, pernos extendidos o marca sellada si desea diferenciación en su mercado local.
A menudo vemos pedidos repetidos de distribuidores que primero probaron pequeños lotes y luego se expandieron a soluciones personalizadas. Al tratar directamente con un fabricante, puede alinear la producción con sus necesidades de mercado.
Pensamientos finales
Entonces, ¿son las pinzas de escape U-Bolt relevantes en el mercado actual? La respuesta es sí. Siguen siendo una de las soluciones más rentables y ampliamente confiables para conectar tuberías de escape.
Si sabe cómo medir el tamaño de la abrazadera de U , comprenda cómo instalarlos y usarlos correctamente , y elija el material correcto, estas abrazaderas servirán bien a sus clientes. Para los compradores a granel, trabajar directamente con una fábrica garantiza un suministro constante, un control de calidad y la opción de solicitar especificaciones personalizadas.
Si está considerando pedidos a granel, eche un vistazo a nuestras abrazaderas de escape U-Bolt, explore nuestra colección de abrazadera de escape más amplia o visite nuestra página de inicio de fábrica para discutir las opciones de suministro personalizadas para su negocio.